Features of SMD 5730 LED
LED 5730 is popular with developers and manufacturers of lighting equipment. The basis of the wide use of the product is the optimal combination of technical parameters and the cost of the semiconductor device.
Technical characteristics of SMD LED 5730

LED It is available in SMD (lead-free) format in a package having dimensions of 0.57 x 0.3 cm and is designed for mounting on printed circuit board at the conductor side. No drilling of holes is required.
The LED is available in two versions - with one crystal and with two (sometimes marked as 5730-1). It is more convenient to divide the characteristics of the led 5730 into electrical and optical. Electrical parameters for the two versions are summarized in the table.
| Number of crystals, pcs. | Electric power consumption, W | Voltage drop, V | Rated operating current, mA |
| 1 | 0,5 | 3..3,2 | 150 |
| 2 | 1 | 3..3,2 | 300 |
The most important parameter for calculating the lighting systems - luminous flux - is:
- for single-crystal version - 40-50 lm;
- for two-chip - 100-120 lm.
The first version corresponds to an incandescent bulb about 1 W, the second - 2...2.5 W.
Video: Temperature test of 5730-5630 LEDs.
The other parameters are determined by the design of the light-emitting device, so for the two modifications with sufficient accuracy for practice they can be assumed the same:
- The solid angle of radiation is 120 degrees. This means that on each side the light is seen at an angle of 60 degrees.
- The radiation spectrum can lie in the intervals:
- 3000-4000 K (warm white);
- 4300 - 4800 K (neutral white);
- 5000 - 5800 K (pure white);
- 6000 - 7500 (cold white).
- Ambient operating temperature - from minus 40 to +85 degrees.
- Color rendering index CRI=60..80. The upper value refers to a good level that does not distort the color of furnishings. Refers to the products of well-known firms. CRI=60 is not the best option, colors may look unnatural. This value of the parameter have cheap LEDs of unknown origin.
Important! A single-crystal variant of LED is produced by many manufacturers. There are many products on the market from unknown companies. In such LEDs the declared parameters do not always correspond to the real ones. Technology release with two p-n junction is still available only to the leading manufacturers, so the declared characteristics can be trusted.
Scope of application
You can use the SMD 5730 LED in the same way as other LEDs similar purpose:
- as a light-emitting element of floodlights;
- For use in household lighting fixtures for outdoor and indoor use;
- for use in LED strips (their purpose - artistic illumination, marking of exits, staircases, etc.).

LEDs can also be used in non-standard ways (e.g. for indication), especially in amateur designs.
Soldering requirements
The manufacturer of the device has set the heating temperature limit for installation to 300 deg C. This is the parameter that should be used as a guide when soldering. If you use a hair dryer, you should set the air temperature within these limits. Low-temperature pastes should be used for soldering.
When using a soldering iron, the temperature of the tip should also be adjusted so that it does not exceed the set limit. When soldering you can use tweezers as a heat sink, but the contact time between the tip and the LED should not exceed 3 seconds. Soft fusible solders should be used for mounting. The manufacturer guarantees the performance of LEDs with single soldering regardless of the method.
Important! Do not use Wood and Rose alloys as solder. When operating the LED, the operating temperature can reach and exceed the melting point of these compounds.
12 volt circuit
The direct voltage that the 5730 LED is designed for is 3 V, so you can't plug it directly into a 12-volt circuit. You need a ballast resistor. This will limit the current in the circuit and extinguish the excess voltage.

This is how it is calculated:
- Calculates the voltage drop across the resistor - the difference between the supply voltage of 12 V and the voltage drop across the diode (3 V): Ures=Upit-Uled=9 V.
- According to Ohm's law, the resistor rating is calculated: R= Urez/Irab, where Irab is the operating current of LED, 150 or 300 mA depending on LED version. The value obtained will not always fall into the standard range, so you must choose the closest value.
- The power of the resistor is calculated according to the formula P=Urez*Irab. The obtained value should be rounded to the nearest larger standard value.

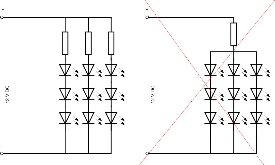
LEDs can be connected in a chain. The total number should not be more than 3 - the limitation is imposed by the supply voltage. Four or more devices from 12 volts will not open, and something else must fall on the ballast resistor. Calculation in this case is not fundamentally different from the calculations when using one LED, but the voltage formula on the resistor must take into account the number of elements:
Urez=Upit-N*Uledwhere N= 2 or 3, according to the number of semiconductor elements.
The calculation does not take into account resistance of LEDs in the open state, but it is small, so in principle it will not affect the result.
Calculation results for all variants of including 5730 LED in 12 V DC voltage circuit are collected in the table.
| Number of LEDs in the circuit | 1 | 2 | 3 | |||
| Number of crystals in the case | 1 | 2 | 1 | 2 | 1 | 2 |
| Resistor resistance, Ohm | 62 | 33 | 39 or 43 | 20 | 20 | 10 |
| Resistor power, W | 1,5 | 3 | 1 | 2 | 0,5 | 1 |
Important! Due to the variation of LEDs, power supply voltage and the error of the nominal resistor resistance, it is recommended to measure the actual current through the LED after assembly. If necessary, the resistor resistance must be adjusted up or down.

Chains can be connected in parallel, but you have to keep two things in mind:
- The power supply must be able to handle the resulting load.
- Each chain must have its own resistor. It is not recommended to connect LEDs in parallel. in parallel is not recommended. Because of the variation in characteristics, the brightness of the glow will be different. In the worst case scenario, the elements will start to fail.
A logical question: why p-n junctions do not fail when installing two or more crystals in one case? After all, they are also mounted in parallel. The answer is simple: these elements are manufactured in one batch, so the variation of their characteristics is minimal.
LED Strip 5730 characteristics
A convenient form of LED lighting fixture for practical use is LED strip, which has compact dimensions and a convenient way of attachment. Such lighting devices are also available on the basis of SMD LED 5730. They are a flexible base on which the LEDs and current-limiting resistors are fixed. The tape can be cut in the designated places.
Important! You can not connect LED strips in series, if the total length will exceed 5 meters. Such sections should be connected in parallel, making sure that the total power does not exceed the capabilities of the power supply.

Specifications 5 m tape on the LED 5730 (minimum section of 50 mm):
| Number of LEDs, pcs | Power, W | Current Consumption, A | Luminous flux, lm | Analog incandescent lamp, W |
| 60 | 30 | 2,5 | 2000 | 130 |
Parameters of shorter sections can be determined as a proportion of the maximum length. Another way is to calculate the number of LEDs and multiply the parameters of a single element by their total number.
Despite the fact that the LED 5730 is on the market for a long time, the reserve created during the development of characteristics will allow it not to go off the stage for a long time.
