Scheme for making a simple strobe light on a LED
Some car owners (tuning lovers) retrofit their cars with a source of flashing light - a strobe light. This name is not very correct; in engineering, a stroboscope is a device for measuring speed by visual comparison with the frequency of flashes. But the name has caught on, the term is well-established.
In the real world, a stroboscope increases the visibility of the car, even at night and in difficult weather conditions. It happens due to the peculiarities of human perception. Our senses, including the eyes, are quicker to notice the change in the signal, but not its intensity. Therefore, flashes of light will reliably attract the attention of other road users, even at relatively low brightness. You can make such lights yourself.
What you need to make a strobe light
To make a strobe light, you will need the following components:
- The lights themselves. You can use ready-made lights (for example, it is easy to buy a set of daytime running lights). You can build something homemade (based on fog lights, etc.). Of course, strobe lights are built on LEDs. It makes no sense to use incandescent bulbs, and it's not just a matter of current consumption. The life of the filament of a traditional light source depends on the number of times it is turned on and off. So in the flashing mode such a lamp will not last long.
- Control board. You can build it with different element base.
- Additional elements - A fuse and a switch (a button with a fixation or a toggle switch). The fuse element can be used as a back-up element, if available in the vehicle, or an additional element can be supplied. A switch is not necessary but is highly desirable. It must be possible to turn off the strobe (e.g. so as not to annoy the traffic police). Button or toggle switch can be mounted on the car dashboard in any convenient place.
To install will need a locksmith tool - chosen by place, depending on the method and place of installation.
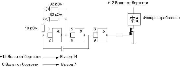
Schematic diagram of the stroboscope on the car
The structural diagram of the stroboscope is shown in the figure.

It may be slightly different if the control board supports separate control of the lights on the right or left side of the machine.
The board can be purchased (e.g. in online stores) or you can make it yourself. Even a novice radio amateur can make it.
On a tl494
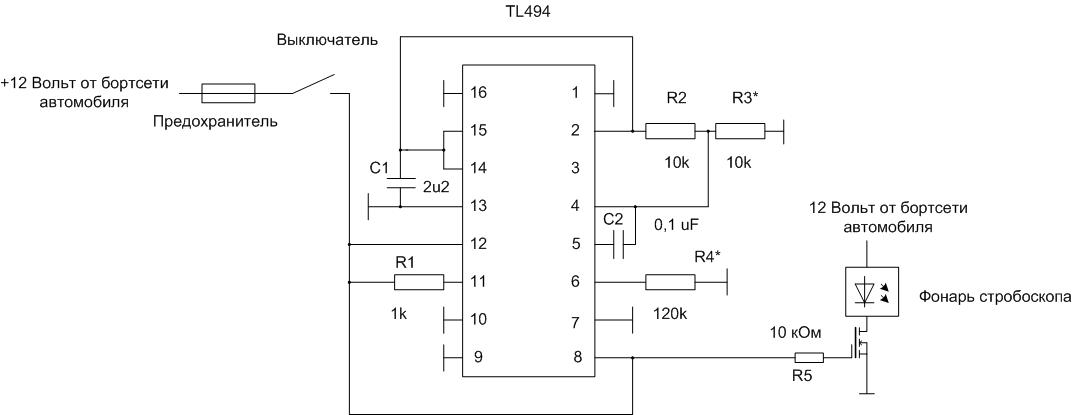
The control board can be built with the common TL494 chip. This is a PWM controller, but it can also be used as a pulse generator with different frequencies and frequencies. The parameters are controlled by external elements.
By the help of R4 you can set the frequency of blinking, by the help of R3 you can set the duration of flashes. Instead of them you can mount multi-turn trim resistors and adjust the flashing parameters by them. Both field and bipolar transistors can be used as a switch for the corresponding drain (collector) current.
Important! In this and subsequent circuits you should pay attention to the current limitation through the LED strobe light - driver or ballast resistor .. If there is no current limiting device or circuit, a resistor of appropriate resistance and power should be included in series with the lamp.
Other options
A very simple control board can be made on the chip K561LA7 (foreign analogue of CD4011A). This chip is very common and costs pennies. Even an amateur with basic radio construction skills can make the board. The flashing frequency is set by a resistor and a capacitor. The greater the capacitance and resistance, the less frequent the flashing. You can roughly calculate the frequency by the formula F=0.52/(R*C). You can finally set the period of blinking by adjusting the parameters of the elements of the time-chain. Another option is to install a trimmer resistor instead of the constant resistor and select the desired mode by turning it. Instead of K561LA7 you can use K176LA7 chip, but it is more sensitive to supply voltage. You can also use any K176 or K561 series chips with NE, AND-NE, OR-NE elements.
In any circuit, you must make sure that the output transistor is mounted on a heat sink.

The circuit can be made a little more complicated by adding a few parts and dividing the capacitor charge and discharge circuits. Now the flash and pause times can be adjusted separately.

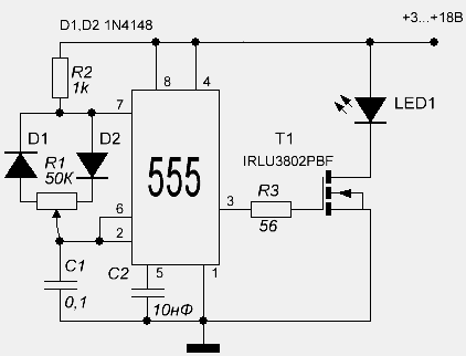
You can also use the widely available NE555 chip (KR1006VI1). It is designed to build similar circuits and has a simple inclusion with a minimum of additional elements.

But the best light effects can be achieved with a microcontroller. You can use a "baby" Attiny13 or Arduino Nano board, adding only a powerful transistor switch (field or bipolar). You can choose the type of transistor from the table or pick it up yourself.
| Transistor Name | Type | Highest drain/collector current, A |
|---|---|---|
| BUZ11A | Field (N) | 25 |
| IRF540NPBF | Field (N) | 33 |
| BUZ90AF | Field (N) | 4 |
| 2SA1837 | Bipolar (n-p-n) | 1 |
| 2SB856 | Bipolar (n-p-n) | 3 |
| 2SC4242 | Bipolar (n-p-n) | 7 |
Even a novice programmer can write the code in Arduino or C++. Controlling LED flashing is offered as an exercise in the first classes of microcontroller programming. Once you have mastered the skills a little bit, you can move on to further development of the program. You can, for example, build a cyclic switching of the flashing frequency with a clock button or a change of light effects. Everything is limited by the imagination of the software developer.
The picture shows an example of a circuit on the Attiny13. Please note that the connection of external elements to the chip pins can be different - the pin assignment is chosen programmatically.
How to assemble the strobe
Assembly starts with making the control board. Those who are familiar with home technology can design and etch the board themselves. For others, it is easier to assemble the circuit on a piece of breadboard. A solderless circuit board should not be used - The jolts and shocks that are inevitably associated with driving a car will cause the contacts to break and the circuit to fail.

For the key transistors it is necessary to install small heat sinks or to make it possible to attach an external heat sink. To do this, the key elements must be placed on the edge of the board with the heat sink surfaces facing outward. After the assembly, it is necessary to determine the place of the board installation. Most likely, it will be mounted in the underhood space. Then you have to find or make a cover to protect the board from dust, dirt and moisture. At the same time you must ensure efficient heat dissipation from the transistors, so so putting the board in a heat shrink is not a good idea.. Then you have to choose where to install the control tumbler or button, find a back-up fuse or install an extra one (it's convenient to use fusible elements that can be installed in the wire gap). After that it is necessary to lay the wires and make connections according to the wiring diagram.
Checking for functionality
You can preliminarily check the assembled stroboscope board for operability without mounting it on the car. To do this, you must connect a single LED with a resistor connected in series instead of a flashlight and supply 12 volt power (you can from a mains power supply or a car battery). The LED should give off flashes. Here you can also adjust the board by selecting the ratings of the frequency drivers.
The final test is performed after the installation is completed. To do this, use a toggle switch or a button to turn on the strobe power and visually check for flashes.
What are the mistakes in the manufacture
Most mistakes boil down to improper assembly. To avoid them, when assembling you must carefully monitor the correct connection of wires and soldering of electronic components. With error-free mounting and pre-checking the board, everything will start working as soon as power is applied.
After installing a strobe, the first thing to do is to visit the traffic police department to register the changes - the installation of any lights not provided by the design requires such a procedure. Otherwise, you will have to drive from one traffic police post to another, collecting fines. We must remember that the installation of flashing lights red and blue is prohibited. They can be mounted only on special services' cars. You cannot legally install them.


