Features of connection and control of addressable LED strip
The use of LEDs in the lighting elements gives the developers of equipment almost limitless possibilities. Until recently, consumers were fascinated by the possibilities of devices based on three-color radiating elements (RGB). Today, new products have emerged whose application potential seems to be unlimited.
Addressable LED strips
Such a lighting device has become an LED-tape addressable. The brightness and the ratio of base colors, as in the usual RGB-lighting, regulated by pulse width modulation, which is used in digital load control. The principal difference between the addressable devices is that each light-emitting element is controlled separately (a conventional strip has the same light emitted by the whole section of the strip).

Design of an addressable strip
The basis for the construction of such lighting devices are addressed LEDs. They contain a semiconductor light-emitting element and an individual PWM driver. Depending on the type of the addressable element, the RGB LED can be located inside a common enclosure or be externalized and connected to the pins of the driver. Separate LEDs or an RGB assembly can be used as a light emitter. Supply voltages may also be different. Comparative characteristics of common chips used to drive colored LEDs are shown in the table.
| PWM driver | U of supply, V | LED connection | Note | Current Consumption |
| WS2811 | 12-24 | External | Built-in 12 V voltage regulator. Fast and slow modes | Depending on LED used |
| WS2812B | 5 | Built-in | LED form factor - 5050 | Up to 60mA per cell (at maximum brightness) |
| WS2813 | 5 | Built-in | LED-5050 form factor | Up to 60 mA per cell (at maximum brightness) |
| WS2815 | 12 | Built-in | LED-5050 form factor | Up to 60 mA per cell (at maximum brightness) |
| WS2818 | 12/24 | External | The control input voltage is up to 9 V. Additional control input | Depending on the LEDs used |
Current consumption of one meter of addressable tape is quite high, because power is spent not only on glow p-n junction, but also on switching losses of PWM drivers.
The device element of the luminaire
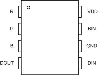
Each addressable LED contains a minimum number of pins:
- U supply (VDD);
- common wire (GND);;
- data input (DIN);
- data output (DOUT).
This allows elements with built-in emitters to be placed in housings with 4 pins (WS2812B).

Chips with external LED connection will need at least three more pins to connect the LEDs. This leaves the standard 8-pin package with one spare pin, which can be used for other applications.

For example, the WS2811 chip designers used a free pin for the speed switch, and the WS2818 chip used a redundant data input (BIN).
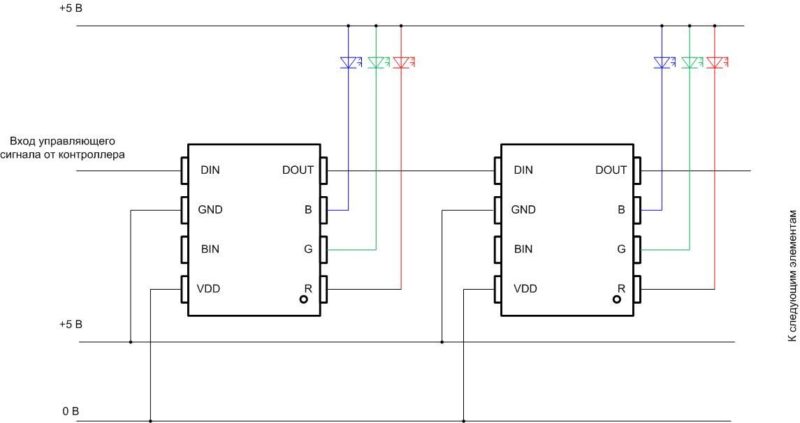
Connecting the elements
All elements located on the canvas are connected in parallel on the power supply and in series on the data bus. The control output of one chip is connected to the input of the other. The control signal from the controller is fed to the DIN pin of the leftmost driver in the diagram.
It is better to power the LEDs and microcircuits from a separate unit, especially if the strip is powered by a voltage other than 5 V. The common wire of the controller and the voltage source must be connected.

Glow control
The elements of the addressable ribbon are controlled by a serial bus. Usually such buses are built in a two-wire scheme - a gating line and a data line. There are also such ribbons, but they are less common. And the described devices are controlled by a single-wire circuit. This allowed to simplify the canvas, to make it cheaper. But it is paid for by the low noise immunity of LED-device. Any induced interference with sufficient amplitude, drivers can interpret as data and illuminate unpredictably. Therefore, additional measures must be taken during installation to protect against interference.
The control protocol contains commands of 24 bits. Zero and one are encoded as pulses of the same frequency but different durations. Each element writes ("clicks") its own command, after a pause of a certain duration the command for the next chip is transmitted, and so on down the chain. After a pause of increased duration all elements are reset and the next series of commands are transferred. The disadvantage of this control bus principle is that failure of one microcircuit interrupts the transmission of commands further down the chain. The latest generations of drivers (WS2818 etc.) have an additional input (BIN) to avoid this problem.
"Running Fire".
Separate consideration should be given to the so-called SPI-tape, which in the home is called "running fire" because of the most common light effect, which it builds. The difference of such a tape from the types discussed is that the data bus contains two lines - for data and for clock pulses. For such devices you can buy an industrially made controller with a set of effects, including the mentioned "running fire". You can also control glow from regular PIC or AVR controllers (including Arduino). Their advantage is higher noise immunity, and the disadvantage - the need to use two controller outputs. This can be a limitation for building complex lighting systems. Also these devices are characterized by a higher cost.

Wiring diagram of the luminaire and typical mistakes
Wiring diagram of multimedia devices has a lot in common with the scheme of conventional RGB-lights. But there are differences - in order to properly connect the addressable LED strip to the controller, you need to keep in mind a few points.
- Because of the high power consumption of the addressable strip, you can not power it from the Arduino board (if you use small segments - undesirable). In the general case you will need a separate power supply (in some cases it can be one, but the power circuits for LEDs and the controller must be separate). But the common wires (GND) of the power supply and the Arduino board must be connected. Otherwise the system will not work.
- Because of reduced noise immunity, the conductors connecting the output of the controller and the web input should be as short as possible. It is highly desirable that they should be not longer than 10 cm. It is also not superfluous to connect a capacitor C to the power line with the voltage exceeding the voltage of the strip, and with the capacity of 1000 µF. The capacitor must be installed in close proximity to the tape, ideally on the contact pads.
- Tape sections can be Connect in series. The DOUT output should be connected to the DIN input of the next piece. But if the total length is more than 1 meter, series connection cannot be used - the conductors of the power lines of the web are not designed for a large current. And in this case you have to use a parallel connection of the pieces.
- If you connect the output of the controller and the DIN input directly, if an abnormal situation occurs in the luminaire, the output of the controller may fail. To avoid this, a resistor of up to several hundred ohms should be placed in the wire gap.
Failure to follow these simple rules can lead to malfunctioning of the multimedia system or to component failure.
Checking the functionality of the address strip
Sometimes it's necessary to to check The need to test the strip to see if it works. And here you may have problems, because it is not possible to light the LEDs by feeding power to the strip. Also you can not check the functionality of the tester: the maximum possibility in this case - to test for continuity of power lines and inter-element connections. Therefore, the main way to determine the serviceability of the lamp is to connect it to the controller.
If there is a web with a single-wire control bus, you can test the addressable LED strip by touching the contact pad where the control signal is applied (when the strip is powered) with your finger. This may cause one or more LEDs to glow.
Addressable LED-tape has a multimedia capabilities on an order of magnitude higher than other LED devices. You should only understand the management and remember a few simple terms to avoid disappointment and pointless financial loss.



