Features of connection of LED lamps
LED lights are now gaining in popularity. They use less electricity, have different angles of illumination, different colors. With their help, you can create an interesting design, zoning the room. To connect the LED lamp is quite simple, even in a hard-to-reach place. But installation has peculiarities.
Features of LED light sources
LED lights have different shapes and designs. They can be made in the form of:
- A long plafond, resembling a fluorescent lamp;
- Light bulb with a base, which resembles the shape of an incandescent lamp;
- Flexible filaments, which can take any shape.
An LED lamp or bulb usually has plafondwhich diffuses bright light. This makes the lighting is softer, changing the angle of illumination. LED options can be attached to the ceiling or walls in different ways:
- screwed into the base of the chandelier;
- Have a pendant mount;
- Attach to the wall or ceiling with screws.
Luminaires are available in different types of operating voltages: 400 V, 220 V and 12 V. In any case, they require the purchase of an additional power supply or dimmer that allows you to connect the luminaire directly into the network.

Despite the nuances in connection, any LED lamps have advantages:
- low power consumption;
- powerful light output or bright glow;
- long service life.
The disadvantages are the high cost of devices and the cold color of the glow, which is not to everyone's liking.
Basic ways to connect
Since LED lights have a different viewing angle, they are usually connected by different schemes. The choice of connection scheme depends primarily on:
- mounting method;
- LED lighting angle;
- the number of lamps in the room.
There are three connection schemes in total:
- serial;
- parallel;
- radial.
Sequential wiring diagram
The series connection diagram of LED lights is simple and is used if there are no special requirements for the lighting design. The advantage is the saving of cable and easy installation. All lamps are connected in a chain one after the other. However, if one fixture fails, the entire chain goes out. To find the problem, you will need to check each one of them.

No more than 6 lamps or bulbs may be connected in one circuit. Otherwise, their brightness will decrease due to an increase in the total resistance of the circuit.
Parallel circuit
A parallel circuit allows you to connect LED light fixtures each individually. For 12 V luminaires, you will need to install multiple dimmers or one for the entire parallel circuit.
In the circuit, a common cable runs from the switch that has a branch line to each light bulb. If one light fails, it will go out without affecting the entire lighting system. The faulty fixture will be immediately visible and can be quickly replaced.

This method is more labor-intensive and requires more cable. However, this scheme is designed primarily for rooms with a large area. With this connection, the brightness of the light will not depend on the number of bulbs.
Tip! When selecting a cable for connection, it is important that the marking contains the abbreviation "NG", indicating the non-flammability of the wire, because when you connect a large number of bulbs increases the risk of fire.
Raychem circuit
LED beam wiring diagram is used to connect the bulbs in chandeliers. It resembles a parallel method. In this circuit, the cable goes from the switch to the distribution socket or hub, from which separate branches or beams go to each bulb.
If one of the LEDs burns out, the others will glow, because each leads to a separate wire.
The main disadvantage of this method of connection is laboriousness. When using this method in a room with a large area is possible so the central cable is pulled into the center of the hall, and from it the rays go to each lamp.

Why do I need a driver
A feature of LEDs - as they warm up, the current passing through them increases. This can lead to failure soon after they start working. In order to monitor and regulate the voltage level during operation, you need driver.
The power selection depends on the minimum and maximum values of the LEDs. If you choose a driver with too low minimum values to connect the LED lights, the dimmer will not be able to lower the voltage to the required values and the lamps will burn out. And vice versa, if you limit the top voltage, if you need more current power, the devices simply will not be able to light up.
Connect through a single driver to the power supply can be any number of lamps, as they will flow through a current of equal strength.
Methods for connecting LEDs
When LEDs are running their resistance is constantly changing as they warm up. In order for them to work steadily, different methods are used to control and change the voltage.
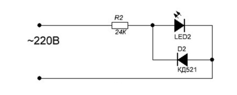
Shunting an LED with a regular diode

This technique is used with any wiring diagram of LED lights. The bypassing method consists in connecting a simple low-power semiconductor to the LED circuit in the opposite direction, which acts as a resistor. It is placed in the opposite direction parallel to the whole circuit.
Its main function is to rectify and smooth out the voltage applied to the LED. In parallel or beam connection, each device may receive different voltages, so it would make more sense to use another method here - counter-parallel voltage rectification.
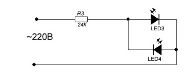
Parallel connection of two LEDs
This method is similar to the previous method, but differs in that the resistor or rectifier is connected to each lamp separately. That is, the voltage shunt takes place at each stage independently of the entire circuit.

The disadvantage is that this results in a voltage drop in the entire circuit. This means that the power consumption will be higher. However, given that LEDs consume much less current than other lamps, this disadvantage is not significant.
How to connect via a switch
Wiring diagram of a single-key switch.
When connecting to the switch, it is also necessary to use a voltage regulator, a quenching resistor. First, the neutral phase is connected directly from the junction box. After that, a resistor is connected to the light, and then the main phase wire is connected to it.
With this wiring sequence, if you mix up the phases, nothing serious will happen. The only thing is that the lamps will be energized all the time and the switch will not perform its function. If you reverse the sequence and connect the resistor to the switch first, the mixed up phases will cause the lamps to burn out immediately.

