How to Make a Right LED Bulb
Craftsmen often have a desire to make a diode light bulb for the reason that it saves 10 times more electricity when compared to an incandescent bulb. This is extremely advantageous in terms of money. But to assemble it yourself you need experience in working with lighting circuits.
First you should familiarize yourself with the principle of operation of the LED lamp and learn what its varieties are. After that, you can begin to select the necessary materials and tools. To make the bulb last for a long time, it is better to buy only high-quality elements of the design.
How LED light bulbs work
The operation of LED lamps is based on the action of a semiconductor 1-2 mm in size. Inside it there is the movement of charged elementary particles that convert current to direct from alternating current. However, the chip crystal also has another type of electrical conductivity - negative electrons.

The side with the minimum number of electrons is called the "p-type. The other side, where there are more particles, is the "n-type. When they collide, light particles - photons - are generated. If the system is energized, the LEDs will continue to emit a stream of light. All modern LED light bulbs work on this principle.
Types of LED devices
The type of a particular lamp is determined depending on the arrangement of the LEDs:
- COB .. The LED is soldered into the board. This will increase the intensity of luminescence and protect against overheating;
- DIP. Here, the crystal is connected to two conductors, and a magnifier is mounted above them. The modification is used in the production of garlands and advertising banners;
- SMD .. To improve heat dissipation, diodes are mounted on top. Due to this it is possible to reduce the dimensions of the bulb;
- "Piranha. These are super-bright light-emitting diodes with increased protection against vibration. In most cases, they are installed in cars, as they are characterized by reliability.

The most significant disadvantage is the COB design. If at least one chip fails, you will not be able to replace it, you will have to change the mechanism completely or buy a new lamp.
What materials will be needed for manufacturing
To assemble the bulb, you need to buy the following elements of construction:
- housing;
- LEDs (individually or mounted on a strip);
- Rectifier diodes or diode bridge
- fuses (if there is a burnt-out unwanted bulb, they can be removed from it);
- capacitor. The capacitance and voltage must match the number of chips and the wiring diagram;
- If you have to make a frame to install the chips, you need to buy heat-resistant material that does not conduct current. Metal is not suitable, so it is better to buy thick cardboard or durable plastic.
You will need pliers, a soldering iron, scissors, a holder and tweezers. You will also need liquid nails or glue to mount the LEDs if you use cardboard.
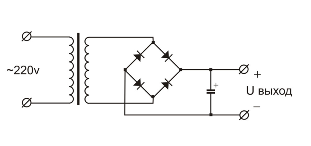
Diagrams of LED lights
Before you start assembling the LED lamp, you need to choose one of the possible schemes. There are several options, all of them have their advantages and disadvantages. Also, it all depends on the purpose of making the lamp. One of the most common circuits includes a diode bridge and 4 LEDs.
LED element
If you have a broken LED light in the house, you can take the missing parts from it. But before you move any elements, you need to check them for proper operation, using a 12-volt battery. Failed parts should be removed. To do this, take a soldering iron and unsolder the contacts, removing the burnt diodes.

Do not forget to observe the alternation of cathodes and diodes attached in series. If 2-3 chips are replaced, they can be soldered to the same areas where the burned chips were. Then about 10 diodes are installed in a row, observing polarity. You also need to make sure that the soldered ends are not touching each other. Otherwise it will cause a short circuit when you turn it on.
Diode Bridge Converter Schematic
As mentioned above, the circuit includes 4 LEDs connected in different directions. This is why the bridge can transform a 220V current into a pulsating current. A similar thing happens during the transition across 2 chips of sinusoidal waves.

The polarity is lost by reversing them. During the assembly a capacitor must be connected to the plus output in front of the bridge. Another one should be behind the bridge. It will have a smoothing function in case of voltage fluctuations.
Circuits for a softer glow
If the task of the master is to get rid of flicker, which is inherent in almost all LED bulbs, the scheme should include some additional elements. In general, it should include capacitors, resistors and diode bridge.
To protect the lamp from voltage spikes in the network at the beginning of the circuit is set a resistor of 100 ohms, after a capacitor of 400 nF, then a bridge is mounted, followed by a resistor. Last in the circuit include the LEDs.
Circuits with resistors
This circuit is quite feasible even for beginners. To assemble a device based on it, you need to buy 2 12k resistors, as well as a pair of circuits with the same number of chips soldered in series, taking into account the polarity. One strip of diodes on the side (R2) is connected as anode and the other (R1) is connected as cathode. Devices that are assembled according to this circuit are characterized by a soft light, because at the moment of switching on the LEDs are lit alternately.

Due to this effect, the naked eye hardly sees any pulsation. Such a bulb is best suited for a table lamp. To get optimal lighting, it is recommended to buy strips with 20-40 diodes. If there are fewer of them, it will give insignificant luminous flux. But the more elements, the more difficult the work in technical terms.
Manufacturing steps
Assembly will be considered on the basis of a standard base from a fluorescent lamp. The first step is to disassemble the luminaire. All fluorescent devices are connected to the base by latches through a plate with tubes. Here the task of the master is to find the places of fasteners and detach the plinth with a knife or flat screwdriver.

During disassembly, you must be careful not to accidentally damage the tubes, which contain toxic substances. You should also avoid damaging the wiring connected to the base. The upper part with the tubes is used to make a plate for the installation of LEDs. For this purpose, the tubular elements must be removed.

The next step will require a plastic or cardboard cover, it will serve to insulate the LEDs. For example, if HK6 diodes are installed in the lamp, each of them has 6 crystals connected in parallel. With minimal power consumption, they will give the brightest possible light.
To connect each of the chips, 2 holes should be pierced in the plate according to the chosen scheme. On this material, the diodes can be fixed as firmly as possible, so heavy cardboard should be used only in extreme cases. But if there are no other options, the LEDs can be attached to the base with superglue or liquid nails.
According to the example, the device is designed for 6 chips of 0.5 W, so the circuit should include parallel connected elements. In a 220 volt bulb, you need to install a driver. At this stage, it is important to isolate it from the board with cardboard or plastic to avoid short circuits. There is no need to worry about overheating, as this lamp is practically not heated.

In the next step you can proceed to the assembly. Light bulbs, working from a standard socket and 220V network, have low power consumption and power up to 3 watts. The assembled lamp has the characteristics of luminous flux from 100 to 120 Lm. But thanks to the white light it seems bright. The product is suitable for lighting a pantry, corridor or installation in a table lamp.
Choosing a Lamp Housing
You should decide on a lamp housing before you choose a circuit. In this case you can use several options:
- A base from an incandescent lamp;
- Self-made fixture;
- Using the housing from a halogen or energy-saving lamp.
Masters prefer the latter option, as it is the easiest.
Enclosure for energy-saving lamp
To make a housing for an LED lamp, made with your own hands, it is recommended only if the master has enough experience. In most cases, a part of the design is taken from an energy-saving or incandescent lamp. The burned out bulb should be disassembled and the converter board should be taken out. The circuit is installed in one of the following ways:
- Hidden in the base. A cover from a plastic bottle will work.
- Place the diodes in the holes made under the bulb in the cover.
- Place the circuits inside the base. This variant is characterized by increased heat transfer characteristics. Here the chips are connected through existing holes.
To place the chips, it is enough to cut a circle out of thick cardboard or plastic. If you do the work carefully, the device will have an aesthetic appearance.
The base from an incandescent bulb
Some craftsmen choose to install the circuit, the base from an incandescent lamp, as it has an important advantage: after the assembly of the master will not have difficulty with screwing the bulb in the socket, which will provide heat exchange.

The base from the incandescent bulb has its own disadvantages. In the finished design will not have a beautiful appearance, also it will not be possible to make a quality insulation.
We advise to watch video: How to assemble a LED lamp with your own hands.
Conclusion
The self-assembly of the LED lamp should begin with the selection of the housing. Then choose a circuit depending on the type of lamp and its purpose. To gain experience, the novice master is better to start with the replacement of burned out LEDs - this will give an opportunity to become familiar with the design and the principle of the light bulb.
