Design and description of filament bulbs
Fillament lamp is one of the varieties of LED devices. Outwardly, it resembles an incandescent bulb. In Russian, "filament" means filament. It can be seen under the transparent bulb. At the first stages of production, the products were positioned as an element of decor, rather than a full-fledged analogue of diode lamps.
The situation changed in 2013, when a number of Chinese manufacturers began to sell filament lamps with the same luminous flux characteristics as the incandescent 60W bulb. A few more years later, they were perfected. The chips used surpassed the SMD2835 and SMD5730 diodes in terms of technical performance.
What are filament lamps
Filament lamps have a transparent bulb, like incandescent bulbs, and a base. But instead of the tungsten filament, they have LED chips. The main functional element of the design is the filament. Externally it looks like a diode strip or glowing filament.

It contains small diodes. They are connected in series with a thin gold wire. The chips are so close together that when the lamp is turned on, the light forms a single line and individual LEDs are not visible. At the edges of the strip are soldered contacts, through which the voltage is supplied.
Pros and cons of the lamps
Characteristics
To understand whether it is worth buying a filament bulb, you need to compare its characteristics with analogues according to the table below.

Parameters that give advantages to filament bulbs:
- devices are compatible with any luminaires with standard sockets;
- almost all models have a high rate of light output and work with dimmers;
- The products with classical and spherical design of the bulb are available for sale.
The marking of the lamps contains the characteristics of the base and the appearance of filament filaments. For example, the model with a base "E27" has a classic design and a diameter of 12 to 27 mm, "A95" spherical or round, the diameter of the base is respectively more.

Despite the high price of the products, they will help to save money due to low power consumption. Another advantage is that Russian-made devices are not inferior in quality to their European, Chinese and American counterparts. The most popular Russian brand is "Lisma".
Devices up to 8 watts from "Lisma" can be purchased for about 325 rubles. Products with the same performance abroad will cost $ 6-7. If there is a desire to buy a higher-quality imported lamp, it is recommended to study the models of the brands "Osram" or "Paulmann". A high-quality bulb will cost about 650-800 rubles.
For those who like to watch: Overview, advantages and disadvantages of filament LED bulbs.
Characteristics:
- power consumption - from 4 to 8 W;
- luminous flux - up to 98 Lm;
- light output - 120 lm/W;
- Service life - 30 000 hours;
- Light temperature - in the range of 2700 K.
Varieties of
At the moment, the following variants of filament lamps are available in stores:
- with decorative shapes, purchase for lamps without a lampshade;
- with a bulb in the form of a burning candle;
- classical form;
- in the form of a large ball.

Lamps can be dimmable. If necessary, you can find models with narrow bases. Each of these nuances affects the price.
How a Fillament bulb works
Bulbs with filament diodes are assembled from the following elements:
- A bulb made of glass;
- E14 or E27 socket;
- A driver located in the base;
- Glass base with conductors for power supply of diodes;
- diode filaments.

The picture shows a lamp from the brand "Rusled". The manufacturer's products can be found in stores under the name "Tomic bulb". It is a domestic manufacturer that gained popularity in the process of import substitution. The device was positioned as a step in the development of domestic lighting.
The production of the aforementioned Lisma brand is located in Saransk. The advertisement states that it is the only production line for the base and lamp glass. But in Russia, there is no enterprise that produces LEDs for these bulbs, so part of the components are brought from China.
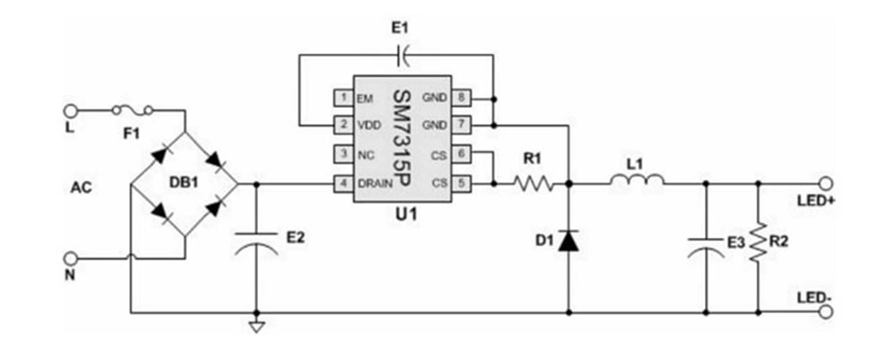
Diagram of the driver
Often the driver is made according to the scheme below.
Sometimes a resistor (low impedance up to 200 ohms, 1 watt) is installed instead of the F1 fuse. The rectifier bridge is designated as DB1. It operates with a reverse voltage of 400-1000V. E2 and E1 are capacitors. The last one has the function of supplying power to the chip. The device has a PWM controller, comparators, multiplexers and other elements.
They are needed to compare real and nominal current and to provide a signal to the PWM controller which regulates the power switch. This is located in the chip enclosure, not on the board. The circuit also includes:
- R1 - sensor to measure in the current circuit;
- D1 - a diode;
- R2 - a resistor to provide a minimum load;
- E3 - filtering capacitor.
What to use
Experts predict that in a few years filament lamps will become as popular as LEDs, used in the home to save energy. But thanks to a number of advantages filament diodes have a chance for even greater demand. For example, the transparent bulb, which provides an angle of dispersion of 300 °.

This type of diode bulbs is often combined with the design of the room, where the standard LED device does not fit in appearance because of the white bulb. For example, if you screw filament lamps in an electric candlestick in the form of burning candles, they will look more advantageous.
Rating of filament lamps
Before you buy filament devices, it is worth studying the rating of the best:
- Paulmann branded lamp. One of the most expensive models, combining the latest developments in the field of lighting devices. The owner will have the opportunity to adjust the color and temperature of the glow. All colors are available. The light bulb has other advantages;
- LED Fil AGL 1521LM. Model from the German manufacturer. Despite the high price (about 1900 rubles), the lamp is popular, as it features reliability and the ability to adjust the temperature of the glow;
- In the form of a candle Airdim. It is used for decorative purposes or as the main source of light. It does not work with conventional switches, you will need a dimmer. The type of socket is E14;
- FDL bulb. The base is E27. The bulb has an original spiral shape, so it is rarely installed in lamps with a lampshade. Often used in restaurants bars and other establishments;
- Paulmann brand device with a red bulb. Is in demand because of its appearance. Looks favorably in interiors with red furniture, walls or ceiling.
Conclusion
Now filament lamps are rarely used as the main source of light because of the high price and the limitation in power to 8 watts. Before you buy a filament lamp, study the peculiarities of use in the home and install in the lamp only if the network is stable, without fluctuations.

