Wiring diagram of two lights to one switch
When designing lighting networks, it is sometimes necessary to control two lamps with a single switch. Technically, this task is not so difficult, but the market of lighting equipment offers a wide range of devices to solve this issue. To choose the best method, how to connect two bulbs to one household switch, it is necessary to understand some of the issues and nuances.
Principle schemes of connection of switches
In practice, connection schemes can vary. The differences depend mainly on the type of switch.
Single-key .
This switching device has only one contact group on the closure, so it can only control two lights at the same time, regardless of the switch.

The switch in parallel connection must be designed for the total current of the two lamps, and in series connection for the current not exceeding the current of the less powerful device.
Hereafter, the circuit in series is shown mainly in theory, without any prospect of practical use.
For a more detailed wiring diagram of a single-key switch, read this article.
Two-key
The 2-button switch can control two lamps separately, so that a circuit in series would be impractical even theoretically.

If two pushbuttons are closed at the same time, the lamps are switched on in parallel. The contact group of the switch must be designed for a single load.
Pass-through
Devices of this type can be two-key and single-key. The wiring diagram will be different.
Single push-pull-through
The single push-button can be used as a normal key and one terminal will not be used.

This makes little practical sense because it is more expensive than a normal switch. But if there is no other switch at hand, this method can also be used.

Another option for using a toggle contact group is to control two lights with alternate lighting. Depending on the position, only one lamp will be lit. The problem with this scheme is that it is not possible to turn both lights off without additional elements. Therefore, the real use of such switching is questionable.
Two-way two-way switch
With two two-way switches, two lights can be controlled separately from two different locations.

This can be useful when lighting a long corridor or a large room, when you need to choose between lighting at full brightness or at half brightness. Also this scheme is useful in bedrooms - when you want to turn the light on when you come in and turn it off next to the bed. And you can choose between spot and main light.
Other connection methods
There are other methods of connecting two lamps to one switch. Some of them are not very widespread, but it is necessary to consider them.
Through a voltage converter
Local illumination is often performed on low-voltage spotlights. or halogen lamps designed for 12...48 volt power supply. These will require a high voltage to low voltage converter to power them.

It is advisable to connect both lamps to one transformer of sufficient capacity - this will be cheaper than installing two separate converters.
The light switch should be on the 220-volt side. On the low-voltage side, with the same power, the switching currents will be higher, which can lead to reduced life of the contact system of the switch. In addition, specialized converters can have an algorithm for supplying voltage to initiate the glow, for example, of halogen lamps. This algorithm is worked out when 220 volts are applied to the converter, and when switching on the low side the lamps may simply not light up. Therefore, when it is necessary to separately turn on luminaires, it is often necessary to put two power sources.
| Lamp | Type | Supply voltage |
| DIM Halostar Osram | Halogen | 12 В |
| Novotech GY6.35 halogen lamp | Halogen | 12 В |
| Varton 6,5W 4000K | LED | 24, 36 В |
| IN HOME LED-MO-PRO | LED | 12, 24 В |
| UNIEL LED10-A60/12-24V/E27 | LED | 12, 24 В |
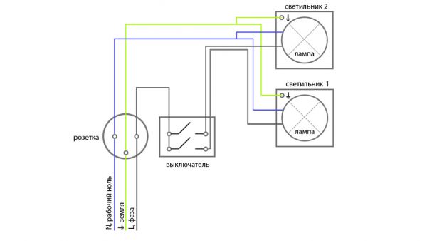
Connecting to an existing power outlet
There are situations where you need to arrange additional lighting in an already installed electrical system. To minimize labor costs, you can connect lights from an existing outlet. N and PE conductors should be taken directly from the socket terminals and laid to the lights. The phase wire is taken from the same place, but there will be a break in it, in which you must plug in the light switch. From the switch will go wire to a lamp or two.

This is an example of a circuit with a two-way switch. The same principle applies to the single push-button, only one wire goes from the switch to the lamp.
Installation with junction box
If the lighting system is installed from scratch, then the wiring should be done with the use of terminal boxes. This is a professional solution. The specific option depends on the selected scheme, but the general principle is the following:
- A three-core cable with conductors L (phase), N (operating zero) and PE (protective conductor) is led from the switchboard into the box - there may not be one;
- N and PE go to the luminaires in transit (if necessary, branch out into the number of branches equal to the number of luminaires);
- The phase wire has a break in which the switch is connected, for this purpose from the box is lowered two-core cable for single or three-core cable for two-pronged device.

The implementation of this principle is shown in the diagram for the case of a two push-button switch. If two push-buttons are used, the installation becomes more complicated, especially if the PE conductor is present.
To simplify the work and reduce the risk of errors:
- use cables with marked wires (color or numbers);
- use a larger diameter distributor box;
- if possible, the connections between the loop-through switches should be made as a loop, without going into the box.
Ignore the PE conductor routing, if present, cannot be ignored.
Topical video.
Installation Instructions
Installation of switches is carried out in several stages. Each of them has its own peculiarities.
Preparation of the walls
The cable products can be laid open or closed way. The performance of this step depends on the type of wiring chosen.
If you have chosen the open method, you must determine where to mount the junction boxes, sockets and switches (in this place should be mounted platforms for installation), to outline cable routes. The cable can be mounted:
- on plastic brackets;
- On poles (wiring in the style of "Retro").
It is also possible to lay wiring products in cable ducts.


If the concealed wiring is chosen, then, after determining the place of installation of electrical appliances, channels (stroe) for laying cables and recesses for installing plastic boxes shall be made in the walls. After laying wiring products and installing wires in junction boxes and slots, you must plaster the gutters and complete the interior design.

Connections in the junction box
Wires, brought into the switchboard must be prepared - shorten, remove the general sheathing and stripe the ends by 1-1.5 cm. This can be done with a utility knife.

Next, you need to connect the conductors according to the chosen scheme. The wires can be connected by twisting (preferably with subsequent soldering). After that the ends should be insulated. You can also use modern clamping terminals.
Installing the switch
Installing a switch, regardless of its design (surface-mounted or internal) also begins with the shortening and cutting the cable.

Then, the switch must be partially disassemble - Remove the keys and the decorative frame. The next step is to connect the wires to the terminals of the switch. The screws in the clamp terminals must be tightened securely. The spring ones will clamp the wire themselves.

Then the switch is installed in place, fastened according to the design, installed decorative plastic parts.

Connecting two light switches
There are only two options for connecting light bulbs to a single switch:
- serial;
- parallel.
In serial installation, the lamps are connected to each other with a wire, and the supply cable is connected to the remaining free leads - as in the diagram. In some cases it may be necessary to observe the phasing. Then a phase conductor is connected to the L inlet of one lamp, the N inlet is connected to the L inlet of the other lamp, and the neutral wire is connected to the remaining free N outlet of the second lamp.

If you want to connect two lamps in parallel, the conductors L and N are connected to the terminals of the first lamp, to the same terminals connect the second section of cable, forming a daisy chain. The second end of the loop is connected to L and N terminals of the second lamp, etc.

Conclusion and conclusion
The peculiarity of connecting two devices to one switch is that you need to have a clear idea of how the parameters of the electrical circuit will change as a result. Where the current will increase or decrease, how the voltage will be distributed between the lights, what the resulting illumination will be, etc. And this assessment should be made before installation begins, and even before the purchase of materials. Drawing a diagram and calculating parameters on paper takes time, but it is not expensive. It is more expensive to change the installation of a ready-made, but ill-conceived network. But a thoughtful approach will help achieve the expected result, and the lighting system will last a long time.



